| 材料 |
?????? 介質溫度℃ |
材料 |
介質溫度℃ |
| 氯化聚氯乙烯(PVC-C) |
-20℃~+95℃ |
聚氯乙烯(PVC-U) |
-5℃~+45℃ |
| 增強聚丙烯(FRPP) |
-20℃~+120℃ |
均聚聚丙烯(PPH) |
-20℃~+110℃ |
| 聚偏二氟乙烯(PVDF) |
40℃~+150℃ |
|
|
1.輕便:PVC-U 材料的比重只有鑄鐵的 1/10,運輸,安裝簡易,降低成本;
2.抗化學性優越:PVC-U 具有優良的抗酸堿性能,除接近飽和點強酸堿外;
3.耐用:抗候性優良,也不能被細菌及菌類所腐化;
4.不導電:PVC-U 材料不能導電,也不受電解,電流的腐蝕,應此無需二次加工。不能燃燒,也不助燃,沒有消防顧慮;
5.阻力小,流率高:內壁光滑,流體流動性損耗小,加以污垢不易附著在平滑管壁,保養較為簡易,保養費用較低;
6.安裝簡易,成本低廉:切割及聯接都很簡易,使用 PVC 膠水聯接實踐證明安全可靠,操作簡便,成本低廉。

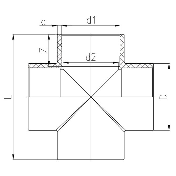
| 公稱直徑DN |
D |
d1 |
d2 |
L |
Z |
e |
| 25? |
40? |
32? |
26? |
80? |
22? |
4? |
| 32? |
50? |
40? |
33? |
98? |
26? |
5? |
| 40? |
61? |
50? |
47? |
120? |
31? |
5.5? |
| 50? |
75? |
63? |
59? |
148? |
37.5? |
6? |
| 65? |
88? |
75? |
71? |
169? |
44? |
6.5? |
| 80? |
104? |
90? |
86? |
198? |
51? |
7? |
| 100? |
127? |
110? |
105? |
238? |
61? |
8.5? |
| 125? |
161? |
140? |
135? |
298? |
76? |
10.5? |
| 150? |
184? |
160? |
154? |
338? |
86? |
12? |
| 200? |
249? |
225? |
219? |
480? |
118.5? |
12? |