| 材料 |
?????? 介質溫度℃ |
材料 |
介質溫度℃ |
| 氯化聚氯乙烯(PVC-C) |
-20℃~+95℃ |
聚氯乙烯(PVC-U) |
-5℃~+45℃ |
| 增強聚丙烯(FRPP) |
-20℃~+120℃ |
均聚聚丙烯(PPH) |
-20℃~+110℃ |
| 聚偏二氟乙烯(PVDF) |
40℃~+150℃ |
|
|
1.材料的結晶度高
由單一聚丙烯單體聚合而成,分子鏈中不含乙烯單體;分子鏈的整規度高,長久的使用壽命;
2.耐腐蝕性能好
可在一定范圍內承受PH值范圍在1-14的高濃度酸和堿的腐蝕;
3.耐熱保溫節能
適用的溫度范圍從-20℃到110℃;導熱系數小,具有較好的保溫性能;
4.可靠的連接性能
該產品熱熔接口的強度高于管材本體,接縫不會由于土壤移動或載荷作用而斷開;
5.良好的施工性能
該產品質輕,焊接工藝簡單,施工方便,工程綜合造價低,能滿足復雜的工藝管道;PPH管道系統廣泛應用于電鍍、蝕刻、化工、制藥、污水處理、環境工程等行業。

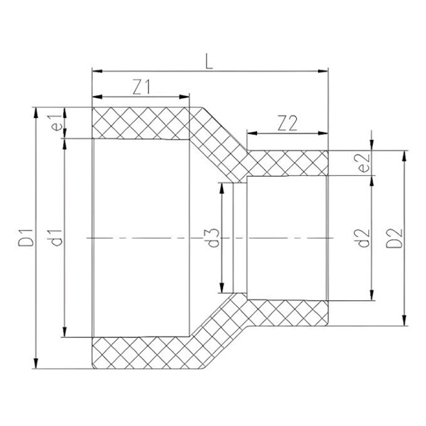
公稱直徑 DN |
D1 |
D2 |
?d1 |
d2 |
d3 |
L |
Z1 |
Z2 |
e1 |
e2 |
| 20*15 |
35? |
29? |
?25? |
20? |
16? |
40? |
18? |
15? |
5? |
4.5? |
| 25*15 |
43? |
29? |
?32? |
20? |
16? |
46? |
20? |
15? |
5.5? |
4.5? |
| 25*20 |
43? |
35? |
?32? |
25? |
20? |
47? |
20? |
18? |
5.5? |
5? |
| 32*20 |
51? |
35? |
?40? |
25? |
20? |
53? |
22? |
18? |
5.5? |
5? |
| 32*25 |
51? |
43? |
?40? |
32? |
27? |
52? |
22? |
20? |
5.5? |
5.5? |
| 40*20 |
64? |
35? |
?50? |
25? |
20? |
60? |
24? |
18? |
7? |
5? |
| 40*25 |
64? |
43? |
?50? |
32? |
27? |
58? |
24? |
20? |
7? |
5.5? |
| 40*32 |
64? |
51? |
?50? |
40? |
35? |
56? |
24? |
22? |
7? |
5.5? |
| 50*25 |
82? |
44? |
?63? |
32? |
27? |
70? |
28.5? |
20.5? |
9.5? |
6? |
| 50*32 |
82? |
52? |
?63? |
40? |
36? |
68? |
28.5? |
22.5? |
9.5? |
6? |
| 50*40 |
82? |
65? |
?63? |
50? |
46? |
65? |
28.5? |
24.5? |
9.5? |
7.5? |
| 65*32 |
94? |
52? |
?75? |
40? |
36? |
76? |
31? |
22? |
9.5? |
6? |
| 65*40 |
94? |
65? |
?75? |
50? |
45? |
73? |
31? |
24? |
9.5? |
7.5? |
| 65*50 |
94? |
82? |
?75? |
63? |
57? |
71? |
31? |
28? |
9.5? |
9.5? |
| 80*40 |
115.5? |
66? |
?90? |
50? |
45? |
85? |
35? |
24? |
13? |
8? |
| 80*50 |
115.5? |
82.5? |
?90? |
63? |
56? |
83? |
35? |
28? |
13? |
10? |
| 80*65 |
116? |
95? |
?90? |
75? |
68? |
80? |
35? |
31.5? |
13? |
10? |
| 100*40 |
134? |
64.5? |
?110? |
50? |
45? |
99? |
41? |
24? |
12? |
7.5? |
| 100*50 |
134? |
81.5? |
?110? |
63? |
56.5? |
97? |
41? |
28? |
12? |
9.5? |
| 100*65 |
134? |
93? |
?110? |
75? |
67.5? |
95? |
41? |
31? |
12? |
9? |
| 100*80 |
136? |
116? |
?110? |
90? |
82? |
93.5? |
41? |
36? |
13? |
13? |